k8¿·¢¼¯ÍÅ×ÊѶ FOVO NEWS
20190719
ƾ¾ÝÇé¿ö±£»¤²¿¡¶ÆóÒµÊÂÒµµ¥Î»Çé¿öÐÅÏ¢¹ûÕæ²½·¥¡·¼°¡¶ÅÅÎÛÐí¿ÉÖ¤¡·Ïà¹ØÒªÇó£¬É½¶«k8¿·¢¼¯ÍÅʳƷÉú³¤ÓÐÏÞ¹«Ë¾ÏÖ½«µÚ¶þ¼¾¶ÈÇé¿ö¼à²â±¨¸æÐÅÏ¢¹«Ê¾ÈçÏ£º
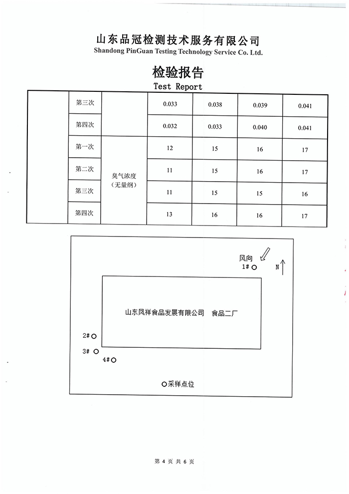
ʳƷ¶þ³§ ·ÏÆø¼à²â±¨¸æ







ʳƷ¶þ³§ ¹øÂ¯·ÏÆø¡¢µØÏÂË®¡¢ÔëÉù¼à²â±¨¸æ






ʳƷ¶þ³§ ¹øÂ¯·ÏË®¼à²â±¨¸æ



ʳƷ¶þ³§ 20¶Ö¹øÂ¯µÚ¶þ¼¾¶ÈÔÚÏ߱ȶԱ¨¸æ


























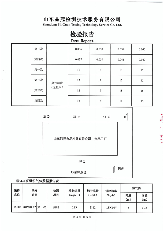
ʳƷÈý³§ ·ÏÆø¼à²â±¨¸æ






ʳƷÈý³§ µØÏÂË®ÔëÉù¼à²â±¨¸æ




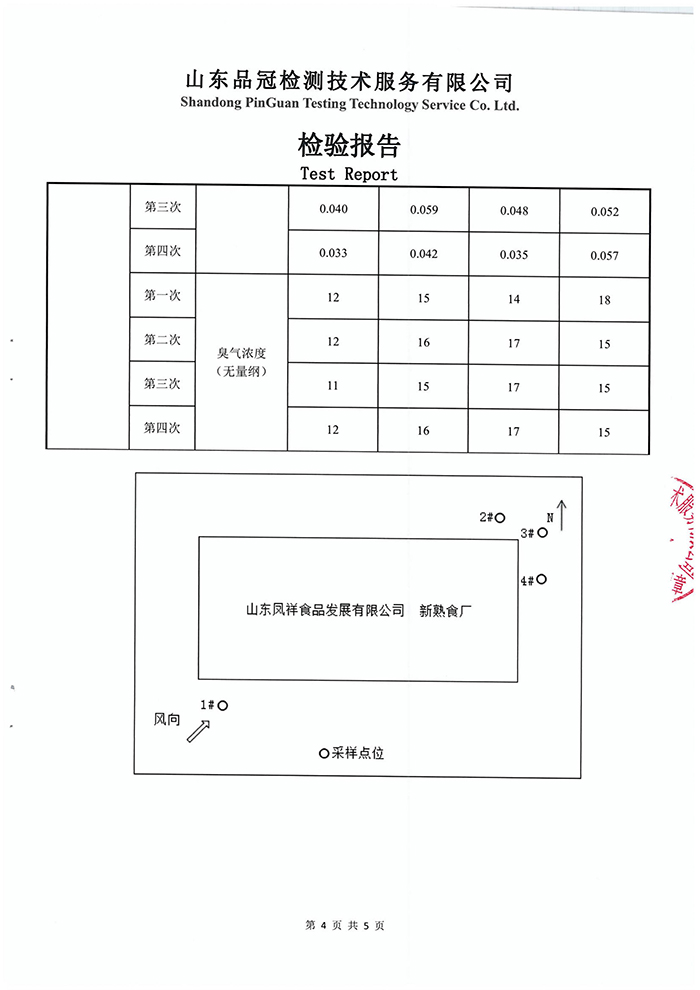
ÐÂÊìʳ³§ ·ÏÆø¼à²â±¨¸æ






ÐÂÊìʳ³§ µØÏÂË®ÔëÉù¼à²â±¨¸æ





ÐÂÊìʳ³§ È¼Æø¹øÂ¯·ÏÆø¼à²â±¨¸æ


