k8¿·¢¼¯ÍÅ×ÊѶ FOVO NEWS
20190508
ƾ¾ÝÇé¿ö±£»¤²¿¡¶ÆóÒµÊÂÒµµ¥Î»Çé¿öÐÅÏ¢¹ûÕæ²½·¥¡·¼°¡¶ÅÅÎÛÐí¿ÉÖ¤¡·Ïà¹ØÒªÇó£¬k8¿·¢¼¯ÍÅÏÖ½«µÚÒ»¼¾¶ÈÇé¿ö¼à²â±¨¸æÐÅÏ¢¹«Ê¾ÈçÏ£º
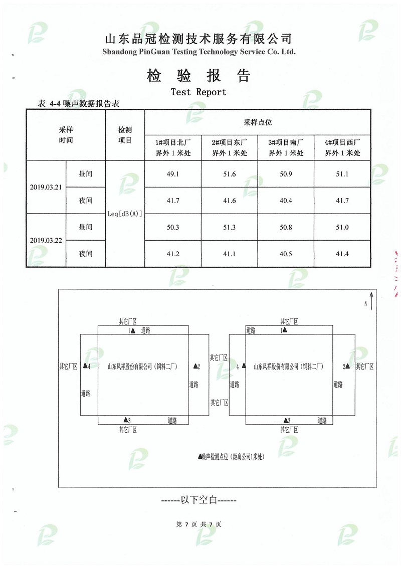
ËÇÁ϶þ³§ ·ÏÆø·ÏË®ÔëÉù¼ì²â±¨¸æ









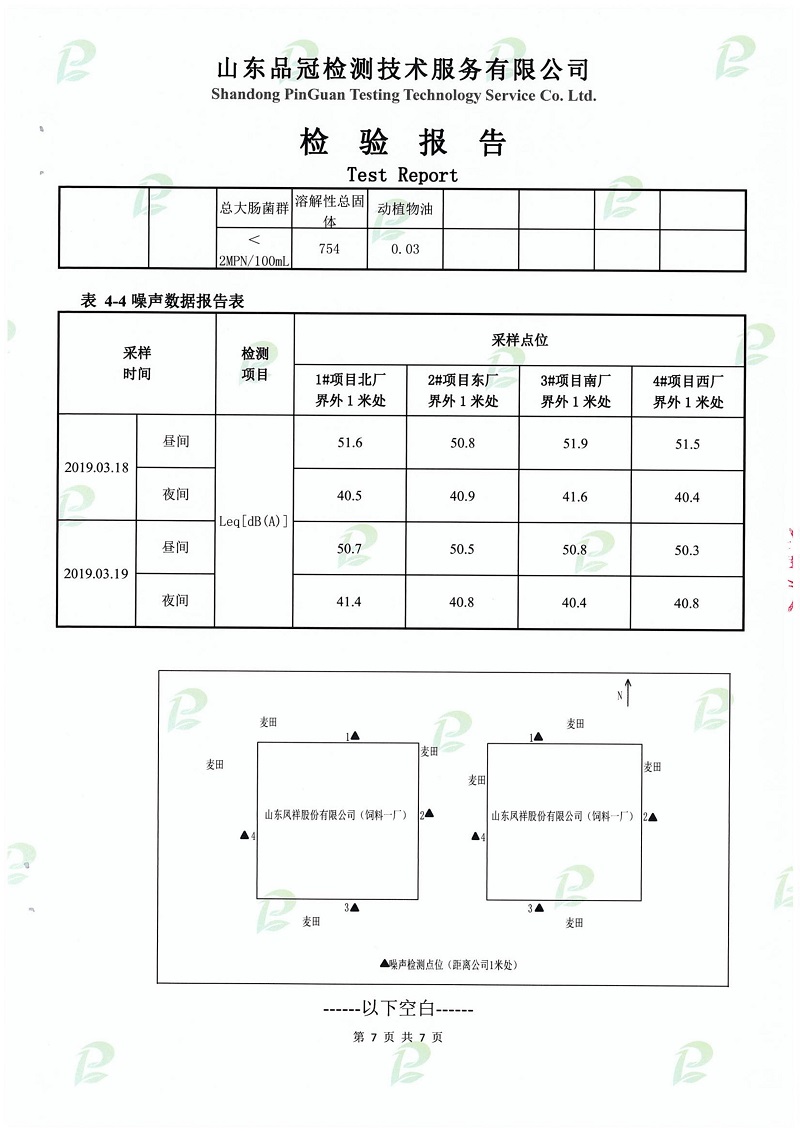
ËÇÁÏÒ»³§ ·ÏÆø·ÏË®ÔëÉù¼ì²â±¨¸æ








